иногда кажется, что самое сложное — придумать дизайн.
но на самом деле самое важное начинается потом — когда его нужно реализовать.💯
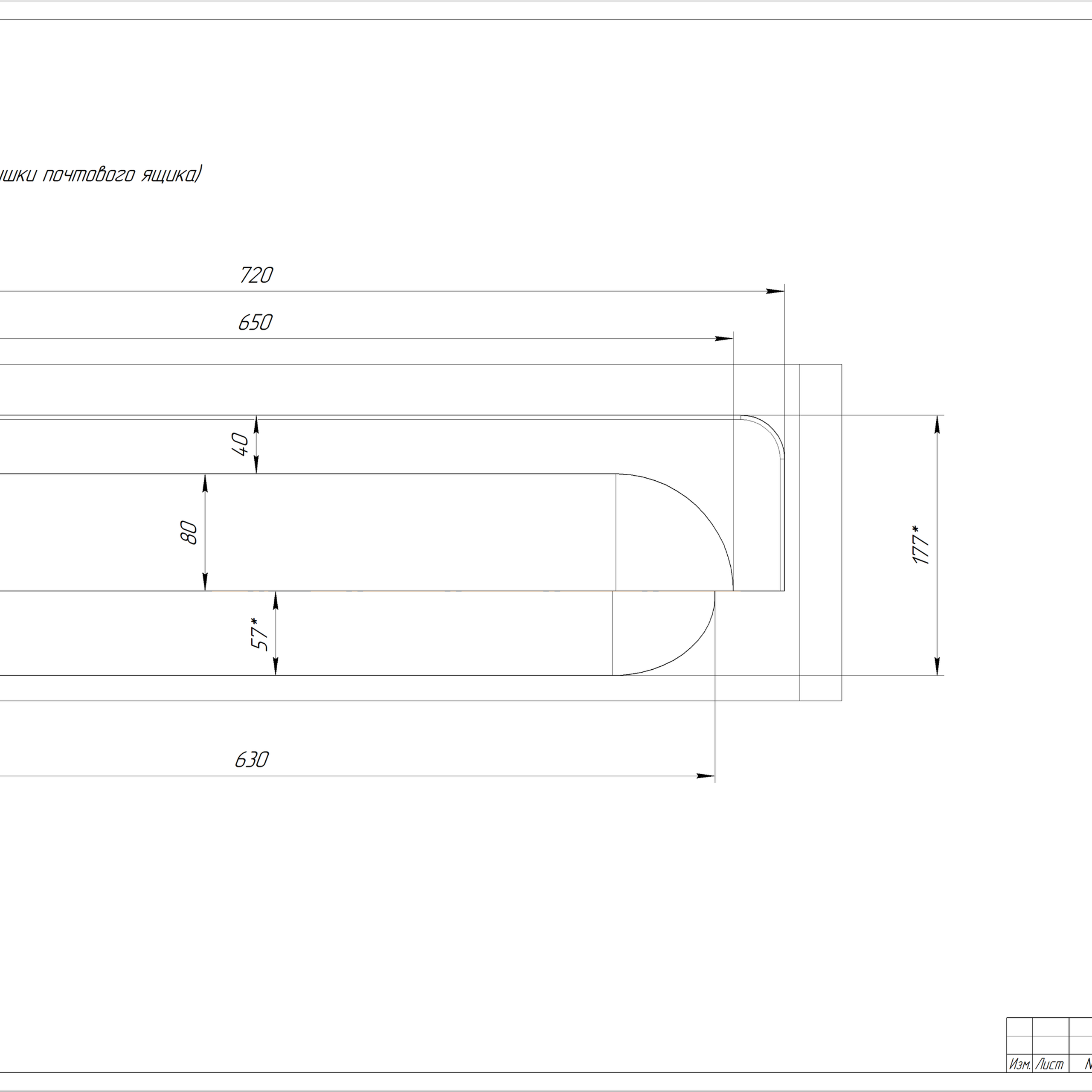
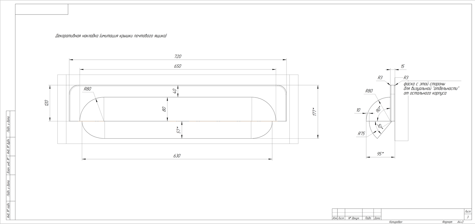
недавно я делала стол администратора для магазина в торговом центре, по форме — отсылка к старым почтовым ящикам, потому что визуальный образ бренда строится на 💌письме.
продумали эргономику: работа стоя, место для ноутбука, документов, принтера и мусорки.
стол на колесиках — его можно перемещать.💛
а дальше начинается производство.
и здесь главное — чтобы всё сделали точно по проекту.
на практике это частые ошибки и отклонения.
а моя задача — следить за соответствием чертежу.
в этом проекте добивалась исправлений в отверстиях для проводов, выключателях подсветки и стыках.
а в финале вместо согласованных прозрачных колесиков поставили чёрные. кажется мелочь, но именно из таких мелочей складывается итоговое ощущение.
переделали — и картинка снова собралась
поэтому сопровождение — это не формальность, а способ удержать проект таким, каким он был задуман.
чтобы в итоге получилось не «похоже», а именно то, что задумывалось💜












